Welcome: ZYSZ Industry – Connector Manufacturer & Solution Provider

1.27*1.27mm(0.05"*0.05") Female Header Dual Row S.M.T Type

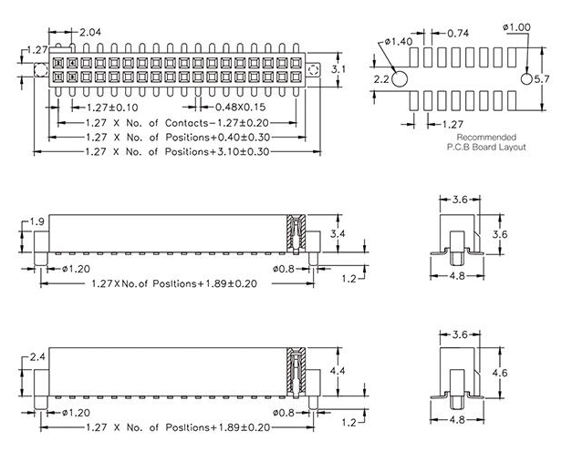
1.00*1.00mm(0.039*0.039") Female Header Dual Row S.M.T Type

Email

Many products are available that are not listed in the catalog pages. If you do not see what you want, please contact us.


  • Pitch: 1.00mm

  • Positions: 2–40 (custom available)

  • Options: plating / pin length / packaging


Typical Applications

  • Industrial control boards & PLC modules

  • Power supplies & converters

  • Communication equipment

  • Test & measurement fixtures

  • DIY / prototyping / general electronics


Key Features

  • Standard 1.00mm pitch for broad compatibility

  • Straight, through-hole solder pins for strong mechanical retention

  • Customizable positions (2–40) and pin length options

  • Multiple plating choices: Gold flash / selective gold / tin (upon request)

  • Stable housing material options with UL94 V-0 (optional)


Specifications:

Item

Specifications

 Type:

 Pin Header (Male)

 Number of Pos:

 2 – 40 Positions (Customizable)

 Number of Row:

 Single Row / Dual Row

 Pitch:

 1.00mm

 Termination Style:

 Through Hole / Solder Pin

 Mounting Angle:

 Straight

 Contact Gender:

 Male

 Packaging:

 Bulk (Tube / Tape & Reel Available on Request)

 Housing Material:

 GPA6T / PBT(UL94 V-0)

 Contact Plating:

 Gold flash over Nickel

 IHousing Color:

 Black


Mechanical Drawing & PCB Layout:

HCM2XX-DR.png

Note: Detailed drawings is available upon request. 

Ordering Information:

How to Order / Custom Options
Please share below details for fast quotation:

  1. Pitch (1.00 / 2.54 / 2.00 / 1.27mm)

  2. Rows & Positions (e.g., 1×10, 1×20)

  3. Pin length (above / below insulator)

  4. Plating (gold flash / selective gold / tin)

  5. Packaging (bulk / tube / tape & reel)

  6. Drawing / footprint (if you have)


Quality & Delivery

  • ISO 9001 quality management (available on request)

  • Samples available for approval before mass production

  • Typical lead time: 7–15 days (depends on quantity & plating)


INQUIRY

Whatsapp:+86 13798308364

Phone:+86 13798308364

Email:biz@zyszindustry.com

Wechat