Welcome: ZYSZ Industry – Connector Manufacturer & Solution Provider

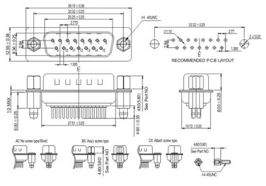
DPM221-15P Machined Contact Hex Stud Low Profile

D-Sub connectors provide reliable signal and power transmission with secure mating for industrial and electronic applications.

Email

Key sizes:

DPM221-15P-DR_副本.jpg

Many products are available that are not listed in the catalog pages. If you do not see what you want, please contact us.

Specification:

OptionsDescription

Number of Positions

9 / 15 / 25 / 37 Pins (other pin counts available upon request)

Gender

Male (Plug) / Female (Receptacle)

Mounting Type

PCB Mount / Cable Mount

PCB Mount Style

Through-Hole Vertical / Through-Hole Right-Angle

Cable Termination Type

Solder Cup / Crimp (optional)

Contact Plating

Gold Flash / 0.76 μm (30 μin) Gold / 1.27 μm (50 μin) Gold

Plating Area

Selective Gold on Contact Area, Tin on Tail

Mounting Hardware

With #4-40 UNC Threaded Inserts / Without Threaded Inserts

Shell Type

Standard D-SUB Shell

Packaging

Tray / Tube / Customized Packaging

Custom Options

Pin layout, plating thickness, shell & mounting options

1. Product Type

  • Connector Family: D-SUB (D-Subminiature)

  • Standard: IEC / MIL-DTL-24308 compatible


2. Materials

  • Contact Material: Brass

  • Contact Type: Stamped Contact

  • Insulator Material: PBT or PBT + GF, UL 94V-0

  • Shell Material: Steel

  • Shell Finish: Nickel Plated (Tin optional)


3. Electrical Characteristics

  • Current Rating: 3.0 A per contact

  • Voltage Rating: 250 V AC / DC

  • Contact Resistance: ≤ 30 mΩ

  • Insulation Resistance: ≥ 1000 MΩ

  • Withstanding Voltage: 1000 V AC (1 minute)


4. Environmental Characteristics

  • Operating Temperature: −55°C to +85°C

  • Storage Temperature: −55°C to +105°C

  • Compliance: RoHS & REACH compliant


5. Reliability

  • Mating Cycles: ≥ 500 cycles

  • Termination Strength: Meets IEC requirements

******************************************

(Please provide the following details for quotation or drawing confirmation)

  1. Number of Positions

    • e.g. 9 / 15 / 25 / 37 Pins

  2. Gender

    • Male (Plug)

    • Female (Receptacle)

  3. Mounting / Termination Type

    • PCB Mount (Through-Hole / Right-Angle or Vertical)

    • Cable Mount (Solder Cup / Crimp)

  4. Mounting Orientation

    • Vertical

    • Right-Angle

  5. Quantity / Annual Demand

    • Sample / Trial order / Mass production quantity

With the above information, we can quote directly or prepare a drawing for confirmation.

INQUIRY

Whatsapp:+86 13798308364

Phone:+86 13798308364

Email:biz@zyszindustry.com

Wechat